Собственият снежен вентилатор от резачка, тример или мотор-култиватор
Отстраняването на сняг с лопата е доста труден процес. За опростяването си самостоятелно изработеният снегопочистващ уред може да дойде на помощ. След като сте го направили, не само ще се освободите от усилената работа за изчистване на снега, но и ще спестите много пари, без да харчите за скъпи модели на единици във фабричната версия.
съдържание
Варианти на дизайни на домашни снегопочистващи машини
Основната задача на снегориста е да улови и изхвърли снежните маси.техните клъстери, например, от тротоара. Снежните вентилатори, изработени от народни майстори, имат различен дизайн. Но според типа улавяне на сняг, моделите се различават чрез винт и въртящи се.
Завинтване на агрегат
Основната част от устройството за снегопочистване е шнек, наподобяващ винт от месомелачка.

Винтовите агрегати са от два вида.
- Единичен етап, Оборудван с един винт под формата на спирално разположени ножове. Спиралните ножове се състоят от две части и се сливат в центъра, където се намират хвърлящите лопатки. Когато механизмът се премества от кофата, се отрязва слой сняг, който веднага попада под въртящите се ножове. Последният смаза снега и го премести в централната част на корпуса. Тъй като лопатките са разположени в центъра на шнека, те улавят смазания сняг и го хвърлят в дюзата, монтирана в задната част на кофата. Колкото по-висока е скоростта на въртене на вала с ножове, толкова по-голям е снягът. Ножовете на винта могат да бъдат едновременно с еднакъв край и с предавка. Ножове с гладък ръб се използват за почистване на пресен сняг и често се изработват от конвейерна лента. Зъбният винтов шнек се използва, ако се налага да се отстрани ледената и запечатанасняг.
- двустепенна, Това е ъпгрейд на снегорин. В неговия дизайн е представен шнек. Но за по-добро изхвърляне на снега в задната част на кофата е монтиран ротор с 2 или повече лопатки. Ротативният снегов плуг работи по същия принцип като едностепенния модул, но благодарение на лопатките на ротора снегът е по-добре заземен и хвърлен на голямо разстояние (до 15 метра). Следващата фигура показва двустепенен снежен вентилатор.

Ротационен модул
Снежният вентилатор тип "ротор" има най-опростена конструкция и се състои от кръгла "охлюв" и ръководни винтове, В горната част на тялото има ръкав, през който се хвърля сняг.

В централната част на кохлеята е инсталирана ротор с ножове, Това работно колело се задвижва от двигателя (бензинов или електрически). Роторът, въртящ се при високи обороти, улавя снега, смачква го в тялото на кохлеята и го изхвърля през ръкава.
Снегорините, изработени от занаятчии за дома, могат да бъдат два вида.
- Стационарно шофиране, Моторът се монтира в уреда, след което се превръща в пълен вентилатор.
- Като добавка за други единици (мини трактор или мотоблок).Следователно моторът не е монтиран на тези механизми. Прехвърлянето на въртеливо движение от двигателя към ротора става чрез верига или ремъчно задвижване.
Изберете вида на двигателя
Преди да направите ръчно снегопочистване, трябва да разберете кой тип двигател е по-добре да изберете - електрически или бензинов.
Електрически мотор
Електрическите единици се различават тиха работа и много лесен за поддръжка, Те също така не изискват никакви консумативи. Единственото неудобство на електрическите устройства е електрическият кабел, който непрекъснато пречи на движението. Разбира се, можете да използвате двигателя, който работи от батериите, но времето за работа на такъв чистач ще бъде ограничено от нивото на зареждане на батерията. Ето защо, ако искате да направите електрически снежен вентилатор, знайте, че той може да работи само в рамките на двора, т.е. обхватът на движение на уреда ще бъде ограничен от дължината на захранващия кабел.
Бензинов двигател
Бензиновите сняг са мощни и доста шумни единици, Те се справят с гъста сняг, включително лед.Бензовите устройства имат предимство пред електрическите, не само в електрическата, но и в мобилната, тъй като те не зависят от електрическата мрежа. Поради това единиците могат да се използват за почистване на снеговалежите на големи площи, например в близост до дворовете на частния сектор, в дворовете на високите сгради, на тротоарите, на определени участъци от пътя и др. Но въпреки изброените предимства на бензиновите автомобили, те също имат недостатъци:
- необходима поддръжка на двигателя;
- се нуждаят от редовно зареждане на горива и смазочни материали;
- наличието на отработили газове;
- високо ниво на шума при работа на двигателя.
Съсредоточавайки се върху горното, можете да разберете, че ако трябва да изчистите двора на лятна къща или малка частна собственост от изпъване, тогава е по-добре да спрете при производството на електрически сняг вентилатор. Ако е предвидено редовно да се изчистват големи снежни пространства, тогава бензиновото задвижване ще свърши работата по-добре, отколкото електрическата.
Опции на двигателя от други устройства
За да направите сняг вентилатор със собствените си ръце, трябва да вземете двигателя, който ще завърти шнека или ротора на уреда. Ако ще направите машина с електродвигател,тогава всеки един асинхронен електродвигател с мощност най-малко 2 kW и въртяща се скорост от 1500 до 3000 об / мин ще бъдат подходящи като компонент на задвижването. Ако вземете двигателя с по-малко енергия, той няма да се справи с дебели снежни пластове и ще спре непрекъснато. В този случай почистването на лопатите с лопата ще бъде много по-ефективно.

Като компонент на устройството, някои занаятчии използват мотори от електрически тримери и верижни триони. Често можете да намерите домашни снегорини, произведени от косачки за косене на трева. Но силата на тези единици е достатъчна само за почистване на свеж и свободен сняг.
По-мощна версия на задвижващата част на сняг е двигател с вътрешно горене (ICE). Може да се вземе от резачка или бензин. Също така единицата за снегопочистване може да бъде направена от мотокултиватор или мотоблок.
Независимо производство на винта
Винтът за снегопочистващия е основната подвижна част на агрегата, чието производство не създава трудности. Най-добре е да използвате гумена лента от конвейер с дебелина 10 мм и дължина 1,5 м за производството на шнека., Необходимо е да изрежете пръстени от гумена лента в размер на 4 броя с диаметър 28 см. Частите се изрязват лесно с помощта на електрически мозайката.


По-долу са чертежите на всички детайли на винта.

Докато валът е взет метална тръба с диаметър 27 мм, Адаптери, на които са монтирани лагери, са фиксирани към краищата си. В централната част на тръбата се прави разрез с дължина 120 мм, в който ще бъде инсталирана централна плоча, предназначена за хвърляне на сняг. Също така се полагат 4 плочи и се заваряват към тръбата. Гумени пръстени ще бъдат прикрепени към тях и към централната плоча. Как се прави това, ясно се вижда на следващата снимка.

За производството на винта може да се прилага и метална лента. За предпочитане е обаче да се използва гума, тъй като тя не надрасква тротоарните плочи и не е повредена, когато е в контакт със здрава пречка, например с бордюр или ограда.
Създаване на кофа за винта
Също така е лесно да направите кофа, която ще служи като корпус за монтаж на шнека. За тази цел обикновено се използва желязо за покриви, На чертежа по-долу са показани размерите на кофата.

За страни от кофата, които можете да използвате шперплат или OSB плоскост дебелина 10 мм. Последният вариант е по-подходящ за тази цел, тъй като е по-устойчив на влага, отколкото шперплат. Лагерите са монтирани отстрани на корпуса (205с могат да бъдат монтирани, затворени), а шнекът на шнека се вкарва в тях. Лагерите трябва да са затворени.
Това е важно! При сглобяването на снегопочистващото устройство е необходимо да се направи малка междина, около 2 мм, между кофата и шнека, така че последният да не докосва корпуса.

За отстраняване на снега от кофата се изрязва отвор в горната му част. Може да се използва като изпускателен улей пластмасова канализационна тръба с диаметър 150 mm или друг. Основното е, че диаметърът на канала надвишава ширината на шнека.
За да насочите снега, хвърлен настрани, можете да носите тръба пластмасов изход.

Кофата с винта е монтирана върху рамка, направена по-рано от метални ъгли (50 х 50 мм) (виж чертежа по-горе).За да се фиксира двигателят, се използват ъгли от 25 х 25 мм.

Но това устройство може да бъде допълнително подобрено. Усъвършенстване сняг е да се добави в задната част на шейната малки колела, В този случай ще бъде по-удобно да издърпате снегорина и да го транспортирате.
Монтаж на сняг
Снегопочистващите, които се основават на шнека, са най-мощните и могат да се справят дори и със заледен сняг. В допълнение, шнекът е най-често използван при самоходни машини за сняг.
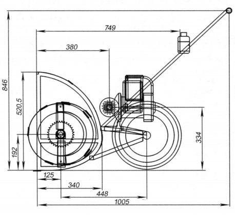
Въз основа на резачка
Това снегоринче е направено със собствените си ръце доста просто. Тъй като ще бъде захранван от мотор с верижен трион, ще са необходими няколко допълнителни части за верижното задвижване. За тези цели можете да използвате предни и задни зъбни колела от мотоциклет, както и верига от него.

Как се правят рамката и винтът са описани по-горе. На рамката е прикрепена дълга дръжка.На вала на винта от дясната страна има голямо зъбно колело от мотоциклета и на вала на верижния мотор - малка. Освен това моторът се монтира върху рамката, след което веригата се поставя върху звездичките и се опъва. За управление на дроселната клапа на двигателя се показва на дръжката, прикрепена към рамката.
По-долу са рисунки на домашно произведени продукти върху шасито, където като основна част на задвижването се използва резачка.


Въз основа на тример
За да направите червей снегорин от електрически тример или от бенкокоси, ще трябва да инсталирате предавателна кутия: тя ще служи за прехвърляне на въртеливото движение от шахтата на тримерната шахта към шнека на шнека.



Но има един нюанс. Предавателната кутия за този тип модул е доста скъпа и купуването й за производството на приставки към машината за подстригване е непрактично. Следователно, на базата на последните, се произвеждат снегови плугове с въртящ се тип, които ще бъдат разгледани по-късно.
Въз основа на мотор-култиватор (мотоблок)
Най-простото допълнение към Walker е дъмп за сняг.

Самоизработена дюза за отстраняване на сняг (лопата) на мотоблока се завинтва към рамката на модула, след което се превръща в малък булдозер.
По-долу има диаграма, в която структурата на снегопочистващия в основата на култиватора е ясно видима.

Схемата се декодира по следния начин.
- Задвижване на сняг, свързващ двигателя със шнека.
- Caterpillar устройство
- Задвижвайте ремъка
- Ролка (паразитни), за да се гарантира обратното.
- Междинен вал.
- Ролка за опъване на колана. Благодарение на него единицата се движи напред.
Самоходният снегопочистващ уред значително улеснява отстраняването на снега, особено в големи площи, където използването на автомобила върху ски, избутвано от оператора, изисква много физическо усилие от него.
Производствен ротор
За да направите ротационен снежен вентилатор, можете да използвате чертежите по-долу.
Материалът за производство на ротора и неговите остриета е листова стомана с дебелина 2 мм. Корпусът на ротора е изработен от покривно желязо или от по-тънка от 2 мм стоманена ламарина. Всички размери на частите са показани на чертежа.
Прехвърлянето на въртене от двигателя към роторния вал може да се извърши с помощта на колан или верига, Също така, шахта на електрическия тример или бенкокос може да бъде свързана с вала на ротора. За щастие тези единици вече имат ъглова предавка. Цялата конструкция е монтирана на рамка с шаси. В резултат на това получавате лек ръчен снежен вентилатор на колела.
Трябва да се помни, че електрическият снежен вентилатор на базата на тример не трябва да се подлага на големи товари, тъй като неговата скоростна кутия може да се повреди. Същата препоръка се отнася и за бензока, ако решите да вземете сняг в основата си.
По-опростена конструкция на модула, монтирана на рамка с плъзгачи, може да се монтира според схемата от старото списание.
Благодарение на горните чертежи, сглобяването на един снегов плуг не може да причини затруднения на всеки домашен занаятчия.
Често има ситуации, когато трябва да отстраните снега в тъмното: в този случай, фаровете за снегопочистващото устройство ще бъдат полезно допълнение, Ако инсталирате фара на електрическия снежен вентилатор достатъчно просто, а след това с устройствата, работещи от двигателя с вътрешно горене, ситуацията е по-сложна: трябва да се свържете към електрическата верига на устройството чрез специални релета иелектронни платки. Но има изход от тази ситуация. Може да се закупи обикновен диодна лампа и го закрепете към устройството.



/rating_off.png)


