Как да настроите газовата колона
Необходимостта от създаване на колона може да възникне поради различни причини. Всеки собственик на устройството обаче е изправен пред типичен проблем: неправилната конфигурация на газовата колона в етапа на свързване води до неправилна работа. В резултат на това очакваните резултати не са оправдани, а по-нататъшното използване на устройството води до неизправности. Производителите на домакински уреди се опитват да заобиколят този проблем, като предоставят система автоматична настройка, Очевидното решение нямаше никакъв ефект: не всеки купувач е готов да плати за сложно оборудване с неразбираем принцип на действие. Много хора предпочитат да прекарат известно време, опитвайки се да се научат как да създадат газовата колона сами.

съдържание
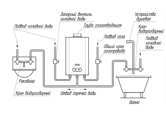
Подготовка за поставяне на бойлер
Регулирането на газовата колона не отнема много време, но изисква внимателен подход и внимание. Процесът на старание може да доведе до много въпроси за нетрениран човек. Преди да настроите домакинския уред, трябва да изключите потока вода до минимум, защото тези индикатори са предвидени в ръководството за употреба., Пренебрегването на тези правила води до факта, че всички последващи настройки няма да бъдат възприети от системата или да доведат до резултат далеч от очаквания резултат.
В повечето случаи необходимите разходи се равнява на осем, десет или дванадесет литра, но има някои отклонения, както нагоре, така и надолу.
Важно е да имате предвид, че е възможно газовата колона да се регулира до точни стойности само при използване на един смесител с гореща вода.
След като приключите описаната по-горе процедура, изключете клапана за подаване и преминете към следващата стъпка. Що се отнася до течността, трябва да настроите минимална стойност на газа, Тези настройки са необходими за привеждане на бойлера до предписаните за него номинални стойности.

На този етап се препоръчва да се свържат необходимите за газовата колона електронно оборудване, Противно на очакванията, това е една от най-лесните операции. Той включва:
- свързване на няколко проводника;
- инсталиране на батерии или консумативи, използвани за запалване на горивото.
Новите модели могат да бъдат оборудвани със сложно оборудване с екрани и сензори. Такава система изпълнява независимо всички настройки и не изисква намеса на потребителя.
Стартиране на устройството и регулиране на температурата
След като сте подготвили оборудването правилно, е възможно да извършите първото стартиране. На първо място, необходимо е да отворите крана с топла вода и да я разгледате изходящата температура, Получените цифри трябва да надвишават входната стойност с двадесет и четири - двадесет и шест градуса.

Ако течността се нагрява прекалено дълго, или отоплението не достига необходимата температура - регулирайте стича на дроселакато го завъртите в задоволително състояние.
В някои системи дръжката е заменена от превключвател, а също така трябва да бъде поставена в определено положение, за да се получи желаният резултат.
Можете да постигнете същите резултати, като контролирайте обема на водоснабдяването, Колкото по-високо е нивото, толкова по-студено е течността и обратно.Това се дължи на елементарното закони на физиката - колкото повече тече водата, толкова по-бавно се нагрява. Позовавайки се на този метод, трябва да се има предвид, че температурата на застоялата вода може да се различава от очакваната, тъй като течността ще се затопли.
Нагласяване на тънкостите
Когато настройвате газов бойлер, трябва да запомните, че течността не може да достигне удобна температура незабавно. Не се опитвайте да задържите всички настройки за няколко минути - това ще отнеме доста време. След всеки етап ще трябва да започнете отново, а именно да източите отпадъчните води и да им позволите да се затоплят или да се охладят свежи. По принцип такива манипулации могат да продължат половин час, а понякога и по-дълго. За опитен професионалист това ще отнеме няколко пъти по-малко.
Когато инсталирате оборудване от различни компании, например газовата колонка Neva, може да срещнете две трудности:
- налягане на флуида;
- ниско налягане на водата, което не причинява реакцията на устройството;
Проблеми с натиска
Колебанията на налягането могат да бъдат предизвикани от различни условия. Изправени пред подобни, без да се налага да се паникьосват, ситуацията лесно се решава чрез заместване на износен клапан или закупуване на специална регулатор на налягането, Тази неизправност може да причини сериозни щети и да ускори износването на оборудването.

Подмяна на мембраната в газовата колона
Лошо натоварване
Да се отстрани недостатъчността, която да се замени пропукваща мембрана, По принцип тази разбивка не причинява проблеми, но ако собственикът се нуждае от много топла вода, например, за да мие съдовете, колоната не може да се справи с нагряването на голям поток.
Независимото коригиране на нагревателя може да отнеме много време и резултатът може да не е винаги задоволителен. Най-добре е да поверите тази процедура на професионалист.

/rating_off.png)


