Събираме домашно плазмено рязане
Апаратът за плазмено рязане е доста търсено оборудване, което позволява да се произвеждат рязане на метали в много области на производство. Плазмените ножове се използват не само в предприятията. Наскоро започнаха да се появяват в домашни работилници. Но тъй като почти всяка работилница вече има заваръчни машини, би било по-разумно да не купувате готов плазмен резач, а да го направите от инвертор със собствените си ръце.
съдържание
Какво е плазмореза за
В някои случаи плазменият нож е незаменим инструмент за обработка на метални изделия, тъй като температурата на плазмата, излизаща от неговата горелка, достига 25-30 хиляди градуса. Поради тези характеристики обхватът на приложение на плазмените ножове е доста голям:
- производство на различни видове метални конструкции;
- полагане на тръбопроводи;
- бързо рязане на метали, включително високо легирани топлоустойчиви стоманисъдържащи титан, никел и молибден, чиято точка на топене е по-висока от 3000 ° C;
- фигурно рязане на тънкослойни материали (провеждане) благодарение на висока точност на рязане.
Освен това се използват плазмените ножове (като алтернатива на лазерните ножове) като част от автоматичните линии в големи предприятия за рязане на части от различни конфигурации от листови материали.


Необходимо е да се разграничат такива понятия като плазмено рязане и плазмено заваряване. Последният е достъпен само на скъпо, професионално оборудване, чиято цена започва от 100 хил. Рубли.
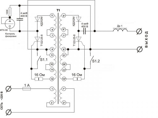
Инвертор или трансформатор
Има различни методи, както и чертежи и диаграми, според които може да се направи плазмено рязане. Например, ако то е направено на базата на трансформаторен заварчик, тогава ще бъде подходяща плазморезна схема, описана по-долу, която да детайлизира кои части са необходими за създаването на този модул.
Ако вече имате инвертор, а след това, за да го превърнете в плазмено рязане, ще ви трябва малко усъвършенстване, а именно да добавите осцилатор към електрическата схема на устройството, Свързва се между инвертора и плазмената горелка по два начина, както е показано на следващата фигура.

Осцилаторът може да бъде запоен независимо съгласно схемата, дадена по-долу.
Ако направите сами плазма, тогава изборът на трансформатор като източник на ток не се препоръчва по няколко причини:
- уредът консумира много електричество;
- Трансформаторът е тежък и неудобен за транспортиране.
Въпреки това заваръчният трансформатор има положителни качества, например нечувствителност към падания на напрежението. Те могат също да режат дебел метал.
но Предимства на машина за рязане с плазмен инвертор пред трансформаторния блок има:
- ниско тегло;
- висока ефективност (по-висока с 30% спрямо трансформатора);
- ниско потребление на електроенергия
- висококачествено рязане благодарение на по-стабилна дъга.
Поради това е за предпочитане да се направи плазмено рязане от заваръчен инвертор, отколкото от трансформатор.
Типичен дизайн на плазмения нож
За да се монтира апарат, благодарение на което ще бъде възможно въздушно плазмено рязане на метали, ще са необходими наличните следните компоненти.
- Източник на захранване Изисква се за прилагане на електрически ток на електродвигателя. Източникът на захранване може да бъде или трансформатор (заваряване), произвеждащ променлив ток, или инверторно-заваръчно устройство, на изхода от което се наблюдава постоянен ток. Въз основа на гореизложеното е за предпочитане да се използва инвертор и с функцията за заваряване с аргон. В този случай ще има съединител за свързване на маркуча и място за свързване на газовия маркуч, което ще опрости преработката на устройството.

- Плазмена горелка (фреза). Това е много важно оборудване, което има сложна структура. В плазмената горелка се образува плазмена струя под въздействието на електрически ток и насочен въздушен поток. Ако решите да съберете плазмореза със собствените си ръце, този елемент трябва да бъде закупен в готов вид на китайски сайтове.

- осцилатор, Изисква се за ефективно запалване на дъгата и нейното стабилизиране. Както бе споменато по-горе, то е споявано по една проста схема.Но ако не сте силни в радио индустрията, този модул може да бъде закупен в Китай за 1400 рубли.

- Компресор. Проектиран да създава въздушен поток, влизащ в горелката. Благодарение на него плазмената горелка се охлажда, плазмената температура се покачва и разтопеният метал се издухва от мястото на рязането върху детайла. За домашно прилепване всеки компресор, който обикновено е свързан с пистолета за пръскане. Но за да се отстранят водните пари от въздуха, издухан от компресора, ще е необходимо да се инсталира филтърна сушилня.


- Кабелен маркуч, Чрез него протича ток в горелката, насърчавайки запалването на електрическата дъга и йонизирането на газовете. Също така чрез този маркуч сгъстеният въздух се подава към горелката. Кабелният маркуч може да бъде направен самостоятелно чрез поставяне на електрически кабел и кислороден маркуч вътре, например маркуч за вода с подходящ диаметър. Но все пак е по-добре да купите готов пакет за маркуч, който ще има всички елементи за свързване с плазмената горелка и с устройството.

- Заземен кабел, В края има клипс за закрепване към обработвания метал.
Апарати за монтаж
След като са подготвени всички необходими елементи, можете да продължите с монтажа на плазмения нож:
- свържете маркуч към инвертора, през който ще се подава въздух от компресора;
- свържете една кутия на маркуча и заземяващ кабел към предната страна на инвертора;
- Свържете горелката (плазмената горелка) към опаковката на маркуча.
След сглобяването на всички елементи можете да продължите оборудване за тестване, За тази цел свържете кабела за заземяване към частта или към металната маса, на която е поставена. Включете компресора и изчакайте, докато поеме необходимото количество въздух в приемника. След като компресорът автоматично се изключи, включете инвертора. Поставете горелката близо до метала и натиснете бутона за старт, така че да се появи електрическа дъга между електродъга на горелката и детайла. Под въздействието на кислорода той ще се превърне в плазмен поток и ще започне металореженето.
Съвети за работа с домашно плазмено
За да може домашно изработеният плазмен резач от заваръчния инвертор да работи ефективно и за дълго време, трябва да се съблюдават съветите на експертите, свързани с работата на устройството.
- Препоръчва се да има определен брой уплътнениякоито се използват за свързване на маркучите.Особено присъствието им трябва да се проверява, когато е необходимо да се транспортира устройството често. В някои случаи липсата на необходимия уплътнител ще направи невъзможно използването на машината.
- Тъй като дюзата на горелката е изложена на високи температури, тя в крайна сметка изчезва и се проваля. Ето защо трябва предварително да се притеснявате закупуване на резервни дюзи.
- Избирайки компоненти за плазмореза, трябва да помислиш колко енергия искаш да получиш. На първо място това се отнася до избора на подходящ инвертор.
- При избора на електрод за горелка, ако го направите сами, трябва да дадете предпочитание на такъв материал като хафний, Този материал не отделя вредни вещества по време на процеса на нагряване. Но въпреки това се препоръчва използването на готови фабрично изработени фрези, при които се наблюдават всички параметри на турбулентността на въздушния поток. Домашният плазматрон не гарантира висококачествено рязане и бързо се проваля.
Що се отнася до правилата за безопасност, работата трябва да се извърши в специално облекло, което предпазва от пръски от горещ метал. Също така, за да защитите очите си, трябва да носите заваръчни очила "хамелеони".




/rating_off.png)


