Принципът на работа на сушилната машина
Сред многото устройства, създадени за улесняване на живота ни, има и сушилни за сушилни. Някой вече е оценил своите предимства и удобство, а някои все още не могат да разберат какво да заемат полезното пространство в къщата с обемисти единици. За да получите правилното мнение, трябва да разберете как работи една модерна сушилня за дрехи. След като изясните нюансите, ще можете обективно да оцените всички полезни аспекти на устройството и да разберете негативните аспекти, свързани с използването му.
съдържание
Видове сушилни и тънкостите на тяхната работа
Така че, за да определите дали устройството ще ви бъде полезно, трябва да разберете как работи. Трябва да кажа, че принципът на работа на сушилнята е съвсем прост: това устройство просто ускорява естествения процес на сушене с помощта на горещ въздух. Сред модерните единици могат да се разграничат 2 основни типа, които се различават в устройството си.
Шкаф за сушене
Той се изработва под формата на кутия с рафтове, върху които са разположени купища измити дрехи. След активирането вътрешността на устройството се запълва със сух горещ въздух. В резултат на такава експозиция излишната вода от тъканта се изпарява, превръща се в пара. След това парата се изхвърля от камерата от вентилатора. Студеният въздух от помещението се поема с помощта на вентилационен канал, загрява се до желаната температура и се пълнят камерата. Цената на такава система не е висока в сегмента, който тя представлява бюджетен вариант.
Недостатъкът на автомобила е масивен случай, който заема много място.

Барабанна машина
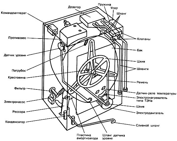
Структурата на устройството е подобна на перална машина - една и съща товарна врата, един и същ контролен панел. Разработчиците взеха принципа на сушене от предишния модел - горещ въздух, но не и в статично положение. Въртящият се барабан движи прането, което значително ускорява процеса на изпаряване. Има модели с ножове, предназначени за равномерно разпределение на бельо.Те не му позволяват да се събере в бучка и да позволи да изсъхне равномерно. Недостатъкът на този модел може да бъде разгледан работен шумиздадено от устройството, когато барабанът се върти. Фигурата по-долу показва схема на такова устройство за сушене с обозначение на основните елементи.

Барабанното устройство е по-практично и удобно при работа, но неговата цена е много по-висока от тази на шкафа за сушене. Цената обаче не възпрепятства купувачите, а моделът на барабаните е много популярен.
За по-лесна употреба те са инсталирани изтичане на кондензат, Той преминава през влажния въздух, събирайки влага в специален контейнер. След това сушилнята отново извлича въздух, загрява и го изпраща на тъканта. След приключване на сесията, водата, натрупана в контейнера, се отстранява.
Сортове барабанни сушилни
От своя страна, барабанните сушилни се разделят и на два вида.
- Вентилация. Устройство с подобна верига за сушене не се нуждае от инсталиране на дренажно устройство, а за разлика от това, то трябва да е свързано с капака или да се показва в прозорец. Необходимостта от допълнителни монтажни работи по време на монтажа и свързаните с тях ограничения намаляват популярността на устройството сред клиентите.

- Тип на кондензацията, В такива устройства горещият въздух запълва барабана с прането, премествайки мокрото в специално отделение. Кондензът се натрупва по стените на това отделение и се влива в резервоара. Пречистеният въздух се загрява от отоплителните елементи и се прехвърля в барабана. По този начин се осигурява непрекъснато движение на въздушни маси и сушене на бельо. В тази система е необходим механизъм за източване на влагата. Устройството е много по-практично и по-лесно да се поддържа, и следователно е по-популярно.

заключение
Сушилнята може да свърши добра работа, ако трябва да изсъхне сухото вещество почти веднага след измиване или трябва да измиете голямо количество пране. В допълнение, домашната сешоар работи добре с дебели тъкани, одеяла и зимни якета, които трудно могат да изсъхнат сами. Сега, когато знаете как работи пералнята, тя ще се превърне в незаменим помощник в неблагоприятно време на годината, когато е невъзможно да се вземат нещата на улицата заради времето.

/rating_on.png)


