Как да подобрите своя телевизионен сигнал
Системите за телевизионно и кабелно излъчване се развиват навсякъде всяка година. Въпреки това, въпреки бързия растеж на мрежата и разширените възможности на телевизионното оборудване, качеството на изображението на телевизионния екран е ниско. Това се дължи на факта, че приемането на телевизионния сигнал на антената зависи от различни фактори: правилен монтаж, конструкция и форма на устройството, разстояние до повторителя. Подобряването на качеството на изображението ще ви помогне автономно усилващо устройство или подмяна на приемника с по-мощно устройство. В този преглед ще разгледаме как да разширим слабия, нестабилен сигнал на телевизионна антена.

съдържание
- 1 Кои фактори влияят върху влошаването на телевизионния сигнал
- 2 Начини за увеличаване на мощността на teleantenna
- 3 Предимства и недостатъци на антенните усилватели
- 4 Усилвател за домашно кино
- 5 Как да изберем антенния усилвател
- 6 Популярни усилватели
- 7 Най-добрите телевизори през 2018 г. според купувачите
Кои фактори влияят върху влошаването на телевизионния сигнал
Преди да изучавате радио иновациите, трябва да анализирате защо нивото на функциониране на приемника е ниско. Причините за смущения и лошо качество на изображението могат да бъдат:
- значително отстраняване на жилището от повторителя;
- погрешно избор на телевизионна антена;
- високо ниво на естествен шум;
- външни препятствия за получаване на сигнал: високи сгради, дървета, промишлени сгради;
- кабелна повреда;
- грешна ориентация на предавателя;
- наличието на метални предмети близо до антената, които могат да извършват електричество;
- Разпределение на телевизионния сигнал на множество приемници;
- остаряла технология.
Начини за увеличаване на мощността на teleantenna
- Променете местоположението на антената. Като правило, тя е насочена към предавателна кула.
- Придобиване на усилвател на антената. Това са електрически устройства, които се свързват директно с антената и дават тласък за подобряване на получения сигнал.
- Разширете броя антени за по-ясно изображение, инсталирано в най-високата точка.
- Променете устройството на по-мощна антена за телевизора.
- Премахване на всички обекти и метални предметикоето може да попречи на приемането на телевизионен сигнал.
- Проверете телевизионния кабел за целостта. В случай на къси съединения или прекъсвания, променете го на нов. За качеството на сигнала е важно изберете правилния кабел.
- Създайте ефект общ антенен масив (CAP). Състои се от факта, че идентичните приемници съставляват сложна система, която работи на общ съвпадащ товар, така че фазите на сигнала да се окажат същите.
Познавайки как да подобрите телевизионния сигнал, можете да сведете до минимум шума на изображението на екрана и да се насладите на висококачествено гледане, независимо от разстоянието от телевизионния център.

Антенна бустер
Предимства и недостатъци на антенните усилватели
Както всички радиоустройства, устройствата имат свои предимства и недостатъци. Предимствата на антенните усилватели включват:
- поради действието на устройството, дори се получава слаб телевизионен сигнал;
- минимална цифра на шума;
- Подобрен сигнал в широка честотна лента от няколко вълнови ленти.
Основните недостатъци, които потребителите могат да срещнат, са:
- претоварване на устройството от мощни сигнали в обхвата на измервателния уред на MV (49-230 MHz);
- самовъзбуждане на усилвателя;
- устройството е чувствително към токове на мълниезащита;
- пасивните загуби възникват на изхода.
Усилвател за домашно кино
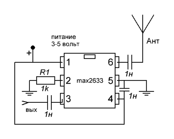
Можете да проектирате просто устройство, което усилва телевизионния си сигнал за телевизор с ваши собствени ръце. Такова устройство има ниска консумация на енергия, не създава значителни смущения и има честотен диапазон до 900 MHz. Нисковолтовият усилвател с мощност от 2,7-5,5 V консумира 3 mA ток, работи много тихо.

Принципът на действие е както следва. Входът "1", който е показан на чипа, се прилага напрежение. Благодарение на резистора R1 се създава отместване към работната зона. Той е свързан към вход "2". Излиза изходният сигнал "6", докато усиления сигнал се отстранява от възела "3" и се изпраща към приемника. Ако чипа е правилно сглобен, няма нужда да го конфигурирате. Между другото, антената за телевизора може също така направете го сами.
Как да изберем антенния усилвател
За правилния избор на усилвателя на антената обърнете внимание на следните параметри.
- Разстояние от повторителя.Този индикатор трябва да бъде в диапазона от 10-150 км.
- Честотен диапазон
- Нивото на сигнала на изхода на устройството. Най-добрият вариант е 100 dB на микровълт.
- Увеличение на устройството Този показател трябва да бъде не по-малък от 40 dB.
- Типът устройство, за което искате да усилите телевизионния сигнал.
- Стойността на шума Препоръчва се да не се превишава този параметър с повече от 3 dB.
- Текущо потребление. Оптималната стойност е 30-60 mA.
- Местоположение: на приемника или близо до устройството.
Обърнете внимание! За цифрова телевизия е за предпочитане да има устройство с индикатор в захранващото напрежение от 5 V. Ако изберете цифров префикс DVD-T2 с тази опция, не е необходимо да купувате захранващо устройство за усилвателя на антената.
Популярни усилватели
За да се подобри качеството на изображението на пазара на радио устройства, се продават различни усилватели. На устройствата можете да коригирате печалбата. Повечето уреди имат няколко изхода за свързване към няколко телевизора.
Модели за телевизионно усилване
- Televes 5523. Италианската компания представи подобрено устройство с 5 изхода. Благодарение на високата печалба от 16 dB, радиоинженерното устройство намалява нивото на постоянния шум, телевизионните смущения.Устройството работи от отделен източник на захранване, който е включен в пакета с инструменти.

- Terra HA123. Устройството гарантира стабилно приемане на сигнал в една или няколко етажни сгради. Инструмент с печалба от 28 dB ефективно работи на различни честоти. Компактното устройство на литовската фирма има тегло от 600 г. Факторът на шума е до 30 dB.

Модели за усилване на въздушни и сателитни сигнали
- Gecen A05-02. Устройството увеличава нивото на сигнала до 19-21 dB. Работните честотни обхвати за сателитна телевизия са в рамките на 950-2400 MHz, наземни - 5-950 MHz. Захранването на широколентовия усилвател Gecen A05-02 идва чрез коаксиален кабел от сателитен приемник (прочетете повече за инсталиране на сателитна телевизия). За да получите засиления сигнал на радио телевизия, допълнителният източник на енергия е получил.

- Полски серийни усилватели SWA, Те са инсталирани главно на "решетката" на антените и имат различни усилващи фактори. Честотният диапазон варира от 49 до 790 мегахерца. Захранващото напрежение е 9 волта. Инсталирането се извършва с помощта на шаблон или резбова връзка.

Различни фактори могат да повлияят отрицателно на нивото на телевизионния сигнал. Съвременните радиотехнологични устройства помагат да се увеличи.Те имат няколко предимства: мобилност, висока печалба и голям избор от модели. Благодарение на съвместната работа на антената и усилвателя можете да гледате телевизия с добро качество.
Най-добрите телевизори през 2018 г. според купувачите
LG 43UJ634V телевизор
Samsung TV UE50MU6100U
TV Hyundai H-LED24F402BS2
LG TV 22LH450V
Samsung TV UE22H5600

/rating_on.png)
/rating_off.png)


