Създаване на преносим усилвател за слушалки
Днес намирането на подходящия усилвател в сектора на търговията на дребно, което отговаря на всичките ви изисквания, е много трудно и стойността му ще бъде прилична. Ще бъде много по-евтино да направите усилвател за слушалки със собствените си ръце и ние ще се опитаме да разкажем подробно за всички необходими етапи на работа.
съдържание
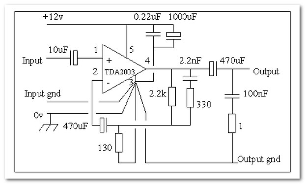
Схематична диаграма
В интернет можете да намерите много различни оферти, но спряхме на най-простата и ефективна верига усилватели. въз основа на TDA 2003.

Сглобен преносим усилвател за слушалки работи в клас А, а печалбата му е около 18 единици - такава сила ще задоволи най-претенциозния любител на музиката. На някои форуми в интернет е много напреднали шунки, говорят позитивно за този чип и настоящата схема и след монтаж на вашия актив ще бъде много високо качество слушалки усилвател.Звуковата серия, според уверенията на онези, които вече са направили за себе си подобен продукт, е достойна за похвала: дори нисък тембър предавани изцяло без изкривяване - отделно събиране на ULF (нискочестотен усилвател) не е необходимо.
На транзистори
Тази схема изглежда проста, но в експлоатация, според експерти, е много фини - всичко зависи от основните параметри на резистори и кондензатори, които сте избрали. Размерите му също са обемисти - по правило всички аматьори използват прости неща двуетажна конструкция на два транзистора. Често използваните са KT 315 или подобни, от такива устройства можете да направите каквото и да е усилвател за слушалки, включително.
недостатъци:
- Изборът на точно захранващо напрежение се изисква за колектора, основата и емитер:
- Два вида напрежения трябва да са подходящи за базата: отрицателни и положителни по отделни линии със съпротивлението;
- За да се гарантира номиналното напрежение, трябва да изберете резистори.
Този дизайн е прекрасен и захранващ - имате нужда от най-малко 5 V за стабилна работа.

Двустепенно проектиране на два транзистора
Използваме чипове
Използването на други продукти могат да се получат следните характеристики: захранващото напрежение е в диапазона 1,8-15 волта, изходната мощност - до 1,5 вата. Цялата структура се вписва в рамките на сравнително малка дъска с размери 100х150 мм.
В края на краищата работата по сглобяването на усилвател за слушалки, ако е необходимо, някои потребители да се свързват малки говорители в компютъра.
Преди да направите усилвател за слушалки, е необходимо да се заобиколят някои магазини за радио части, както и за покупка:
- основният чип е tda 2822;
- резистор тип променлива: с постоянен номинал от 4.7 com - 2 единици. и един на 10 com;
- Кондензатори 10 μF - 2 бр.;
- неполярни кондензатори тип филм с капацитет 100nF - 3 единици.
- две гнезда за свързване - диаметър 3,5 мм;
- батерии;
- фолиен материал с определен размер;
- подходящ за жилища с размери.
Маркирайте бъдещи позиции на части на дъската, след отпечатването на модел на принтер по специална технология, която по-долу.

Разположение на частите на дъската
Ние правим такса
Печатни материали - най-важното, ако искате да направите висококачествен усилвател. Само с неговото присъствие продуктът ви ще работи стабилно. Можете да го направите у дома без никакви проблеми, ако знаете подробностите LUT технология - това е прехвърляне на стандартно изображение на борда, използвайки лазерен принтер и обикновено желязо.
За изпълнението на плана ще използваме Спринт-оформление 6.0 - Руската версия има около 4,6 хиляди макроса. Нейните отличителни черти са:
- всички справочни данни на руски език;
- надписите на борда могат да бъдат направени на кирилица;
- идеален за операционната система Windows 7;
- интерфейсът на програмата се променя за начинаещи потребители;
- Можете да работите от всяко компютърно устройство, което се съхранява на флаш устройство, не оставя следа в нито една система.

Изображението се отпечатва само на гланцирана хартия, можете да използвате различни брошури, които се разпространяват в подлези и търговски центрове.
Някои хамбургери използват тънка гланцирана фотохартия - в този случай отпечатъкът се оказва по-добър.
Необходимо е да печатате максимално, след което копието ще бъде с високо качество - цялата картина трябва да бъде ясно видима. След това го слагаме върху нискомаслена дъска и я желязо,изложени на трета позиция на захранване, няколко минути. За фотохартия е достатъчна половин минута.
Тогава трябва произвеждат офорт - за това използваме разтвор на железен хлорид, който според експертите е най-добрият вариант. С помощта на ацетон почистваме медните остатъци от останалата боя и започваме каланерането. За да стане всичко добре, е по-добре да използвате сплавта Rose, която е измислена от немския химик - затова той е кръстен на него.
Съставът на сплавта: калай и олово с 25%, а останалата част от обема е бисмут - неговите пари са изключително токсични, така че целият процес трябва да се извърши в добре проветриви помещения.
Слагаме няколко гранули от тази сплав в готов контейнер с вода (с плоско и равно дъно), чакаме тяхното пълно топене. След това поставете шаблона надолу и го задвижете по дъното с разтопени гранули. С мека гъба премахваме петна и излишни потоци по пътеките.

Монтиране на усилвателя
За да не бъркаме нищо, използваме същата технология на обратната страна. диаграма на свързване, След пробиване на необходимите дупки в дъската, започваме инсталирането на всички детайли. В снимката готовата дъска с частите се инсталира в подготвения калъф.

Преди да ги поставите върху тялото, трябва да нанесете маркировка върху крайните панели - за това можете да използвате програмата Photoshop, където е лесно да нарисувате композиция, където ще има имената на гнездата и всички необходими символи. След това изготвяме разпечатка на чертежите с помощта на принтер на тънка фотохартия с лъскава повърхност, която лепим върху панела с вече направените технологични отвори и обработваме с ацетон за обезмасляване. Лепило, използвано дърводелство.

Панелите трябва да бъдат поставени под мощна преса с тегло около 20 кг за 24 часа, така че качеството на свързването да е перфектно. След това ламинираме повърхността на панелите със специален термичен филм, използвайки домашно желязо и лист чиста хартия.

Остава само да инсталирате капака и страничните панели на кутията - а усилвателят е готов за работа. Проверката на продукта показа, че усилването на звука е отлично: звукът е съвсем ясен и ако слушате качествени записи, той дори може да бъде описан като кристал, което е доста добро за самостоятелно направено устройство. Изслушват се всички инструменти, басът е отличен, без да дрънка, а силата на звука е такава, че да можеш да заглушиш.

Сега на цена: всички разходи за закупуване на части и материали в изчислението се оказаха не повече от една хиляда рубли, а най-евтиният фабрично мощен усилвател струва от 2,5 хил. Лв. Да не говорим за отличното качество на продуктите, чиято цена се оценява на няколко десетки хиляди. рубли.

/rating_off.png)


